MRS900是目前市场上外形小巧的机械式扫描声呐之一。尽管外形小巧,但其成像分辨率仍保持了非常高的质量。它通过非接触式旋转扫描来进行水下实时成像,易于布放,特别适合小型ROV或潜水员手持使用,进行导航或水下搜索。它可以帮助您用实惠的价格即可满足您的需求。

超紧凑型扫描成像声呐MRS900

功能特性
1.市场上小巧的成像声呐之一
2.超声波水下实时成像
3.复合压电材料换能器带来高分辨率图像
4.数字CHIRP技术
5.非接触式旋转扫描
6.易于布放
7.适于小型ROV或潜水员使用
应用领域
1.水下目标搜索
2.AUV/ROV导航
3.潜水员手持式声呐探测
主要技术参数
脉冲 | CHIRP & CW |
声学频率 | 900 kHz |
波束角度 | 2°H, 25°V (+/-3dB) Fan |
最大探测距离 | 60 m |
距离分辨率 | 最大7.5 mm |
扫描角度 | 360度连续扫描或区域扫描 |
角度分辨率 | 0.1125°, 0.225°, 0.45°, 0.9°, 1.8° |
最大扫描速度 | 4s(5m探测距离,0.9°角度分辨率条件下) |
脉冲长度 | 500 us(Chirp), 10 ~ 100 us(CW) |
时变增益 | 60 dB |
增益控制 | -10 ~ +10 dB |
通讯接口 | RS232/RS485,最高3M baud通讯速度 |
最大线缆长度 | 300 m(2M baud),1 km(115k baud) |
供电 | 12-60 V DC,最大4 W功率 |
接头 | Teledyne Impulse IE55-1206-BCR |
适用水深 | 最深2000 m |
外壳材质 | 硬质阳极氧化铝 |
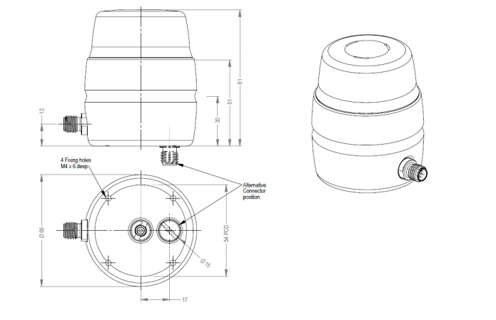
尺寸 | 直径66 mm,高76 mm |
重量 | 空气中580 g,水中350 g |

MRS900是目前市场上外形小巧的机械式扫描声呐之一。尽管外形小巧,但其成像分辨率仍保持了非常高的质量。它通过非接触式旋转扫描来进行水下实时成像,易于布放,特别适合小型ROV或潜水员手持使用,进行导航或水下搜索。它可以帮助您用实惠的价格即可满足您的需求。

超紧凑型扫描成像声呐MRS900

功能特性
1.市场上小巧的成像声呐之一
2.超声波水下实时成像
3.复合压电材料换能器带来高分辨率图像
4.数字CHIRP技术
5.非接触式旋转扫描
6.易于布放
7.适于小型ROV或潜水员使用
应用领域
1.水下目标搜索
2.AUV/ROV导航
3.潜水员手持式声呐探测
主要技术参数
脉冲 | CHIRP & CW |
声学频率 | 900 kHz |
波束角度 | 2°H, 25°V (+/-3dB) Fan |
最大探测距离 | 60 m |
距离分辨率 | 最大7.5 mm |
扫描角度 | 360度连续扫描或区域扫描 |
角度分辨率 | 0.1125°, 0.225°, 0.45°, 0.9°, 1.8° |
最大扫描速度 | 4s(5m探测距离,0.9°角度分辨率条件下) |
脉冲长度 | 500 us(Chirp), 10 ~ 100 us(CW) |
时变增益 | 60 dB |
增益控制 | -10 ~ +10 dB |
通讯接口 | RS232/RS485,最高3M baud通讯速度 |
最大线缆长度 | 300 m(2M baud),1 km(115k baud) |
供电 | 12-60 V DC,最大4 W功率 |
接头 | Teledyne Impulse IE55-1206-BCR |
适用水深 | 最深2000 m |
外壳材质 | 硬质阳极氧化铝 |
尺寸 | 直径66 mm,高76 mm |
重量 | 空气中580 g,水中350 g |
